mountain

Schienenhalter

Aus Zwei mach Eins – Der neue Schienenhalter 45 lässt sich durch die optimierte quadratische Platte sowohl längs als auch quer verwenden.

Zur Befestigung von Montageschienen am Baukörper

  • Der Halter ist variabel im Einsatz durch die Anwendung längs und quer.
  • Da nur ein Produkt für zwei Anwendungen benötigt wird, ergibt sich eine Ersparnis in der Lagerhaltung.
  • Gewohnt hohe MEFA Qualität können wir hier zu einem attraktiven Preis anbieten.
  • Es stehen zwei Oberflächen für den Einsatz im Innen- oder Außenbereich zur Auswahl: galvanisch verzinkt und feuerstückverzinkt.
  • Aufgrund der optimalen Platzierung der Lang- und Rundlöcher wird eine höhere Steifigkeit und Lastaufnahme erreicht.
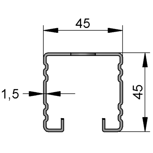
  • Der Halter ist für die Befestigung am Baukörper mit unseren Einzelschienen 45/26 und 45/45 sowie mit der Doppelschiene 45/52 kompatibel.

Ausführung galvanisch verzinkt:

Neuheit

Halter C-Profil 45 längs / quer

für C-Profil 45/26 - 45/52 gvz

Zum Produkt

Ausführung feuerstückverzinkt:

Neuheit

Halter C-Profil 45 längs / quer

für C-Profil 45/26 - 45/52 fsv

Zum Produkt

Entdecken Sie hier die passenden Schienen:

Topseller

Montageschiene C-Profil doppelt

45 / 52 / 1,5 mm L= 6 m fbv

Zum Produkt